Amplification Audiophile et DIY
Composants
Le signal musical à reproduire n'est composé que de transitoires, or la pshychoacoustique montre que notre appareil auditif est extrêmement sensible à ces moindres variations. En plus de la traditionnelle distorsion harmonique, il faut considérer l'inertie thermique des transistors et l'effet mémoire des condensateurs et isolants. C'est à ce niveau qu'une limitation du nombre de ces composants préserve la spontanéité de la reproduction.
Transistors petits signaux et drivers:
Bipolaires:
- 2SC2547 / 2SA1085 chez Hitachi : très faible bruit et bonne tenue en tension (Vce=120V).
- 2N3440 / 2N5416 : haute tension et large puce en boîtier TO5.
Fets:
de chez Toshiba :
- 2SK170 / 2SJ74 : faible bruit, fort gain.
- 2SK246 / 2SJ103 : bonne tenue en tension (Vds=50V), linéaires.
- 2SK389 / 2SJ109 : double puce faible bruit et fort gain pour différentiel.
- 2SK30 : parfait en générateur de courant pour différentiel.
(A noter également, les diodes régulatrices de courant de la série CR160-CR470 chez Vishay à technologie "Fet")
Mosfets:
- 2SK216 / 2SJ79 chez Hitachi: drivers en TO220 (ou en étage de sortie pour casque).
Puisqu'il n'y a pas de courant de polarisation sur leur grille, les fets en entrée évitent les condensateurs de blocage d'offset source de distorsion mémoire. Le boîtier TO5 à faible résistance thermique des bipolaires Motorola minimise la distorsion thermique sur l'étage amplificateur de tension.
Transistors de puissance:
Bipolaires:
Mosfets (lateral structure):
| Les puces "lateral structure" 4.5mm x 4.5mm en version duo : |
 |
La connexion centrale du "Drain" entourée du canal d'une longueur totale de 40mm : |
 |
Les mosfets sont commandés en tension et non en courant, cela supprime l'étage driver, au moins dans le domaine audio. La technologie "lateral structure" ne nécessitent ni résistances d'équilibrage encombrantes, ni régulation thermique, ce qui correspond au concept minimaliste choisi. De plus leurs capacités inter-électrodes sont des plus faibles.
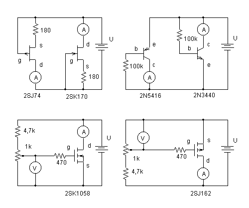
Appairage de transistors complémentaires:
La tension "U" peut être une alim de labo 12 à 15V (voire une pile de 9V pour les transistors petits signaux). L'idéal étant la tension effective de l'alimentation dédiée à l'amplificateur.
- Pour les 2SK246 et 2SJ103 : la résistance est de 390R pour les suffixes "Y", et de 820R pour les suffixes "GR". Le tri se fait alors autour d'une polarisation de 1,2mA comme sur les schémas proposés.
- Les bipolaires sont sensibles à l'emballement thermique, seule la première lecture (puce à 20°) est à retenir.
- Les Mos ne sont pas obligatoirement à appairer, mais leur mesure en Vgs au Id recherché permet d'adapter la résistance de polarisation au second étage. Typiquement 0,68V / 10mA = 68R. Toujours partir de Vgs = 0V.
Pour ces montages de tri, on veille à un câblage court et propre pour éviter les bruits sources d'erreur.
Composants passifs:
- BC components propose une gamme complète de résistances. La SFR25 à couche métallique (0,4W) est disponible en série E24. La PR02 est un modèle 2W non bobinée.
- Les condensateurs "MKT, MKC et MKP", dans l'ordre décroissant de l'absorption diélectrique (effet mémoire) se place sur le trajet du signal et en découplage (1nF à 10µF), chez Wima.
MKP d'excellent rapport qualité / prix chez SCR
- Les "polystyrène" et "mica argenté" sont en compensation de fréquence (10pF à 10nF).
- Sfernice et Alps pour les potentiomètres ajustables et de volume.