Amplification Audiophile et DIY
Alimentation
L'alimentation de puissance conditionne le respect de la dynamique du message. Tant par sa capacité à fournir rapidement une quantité importante d'énergie, que par le niveau de bruit qu'elle conduit. La qualité du câblage et des connexions est primordiale pour profiter des composants aujourd'hui proposés.
Constituants et dimensionnement:
- Transformateur: Parmi les quatre types: EI, torique, double C et R-core, les deux derniers aux capacités primaire/secondaire et rayonnement magnétique réduits, sont prédisposés à l'audio. Quand ils ont un écran électrostatique, le relier à la terre constitue un barrage aux perturbations CEM à haute fréquence.
La formule 2·Ualim²/(π·Rhp) donne la puissance maximale à fournir par voie en classe B. Par exemple pour un Zenquito 40W sous 8 Ohms alimenté en +/-30V on obtient 72W, en stéréo et avec un coefficient de "surdimensionnement" de 2, le transfo est un 300VA. La tension secondaire est multipliée par racine carré de 2 pour obtenir la valeur des rails continus (2*21Veff donne +/-30V=). En classe A la formule devient Ualim²/Rhp.

- Pont redresseur: Intégré en boîtier plastique, il tient jusqu'à 12A en continu et 60A en pointe répétée. (GBU12 chez Diotec). En pont métallique jusqu'à 35A en continu.
- Condensateurs de filtrage: Un résidu de 50Hz redréssé (100Hz donc) fonction du courant débité et de la capacité, se superpose aux rails continus. En fonction de l'ondulation tolérée, le calcul C = (10ms·I)/Vond "prédimensionne" les condensateurs à installer par polarité. Des modèles dits à très faible résistance et inductance série (par exemple chez Vishay BCcomponents) faciliteront les courants élevés même sur transitoires rapides.
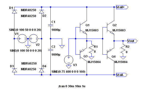
Pour évaluation sur grands signaux avec le soft LTspice (les modèles spice des diodes MBR40250 et des transistors MJ15003 et MJ15004 sont à copier préalablement du site On Semiconductor et à coller aux listes D et Q du dossier "cmp") :
ond_alim.asc : clic droit, puis enregistrer la cible.
- V1 et V2 représentent les deux secondaires 50Hz du transformateur (ici 2x70Veff ou 100Vmax)
- V3 configure le niveau de sortie (ici 350W avec 53Veff ou 75Vmax sur 8 Ohms à 400Hz)
- Les résistances de 8 Ohms peuvent être remplacées par une charge complexe, voire par le modèle de l'impédance d'un haut-parleur.
- Les simples condensateurs peuvent être complétés d'une configuration en π.
- Pour une configuration monophonique, il suffit de supprimer un push-pull.
ond_plot.plt : clic droit, puis enregistrer la cible.
Quelle capacité en courant ?
Le courant à fournir au haut-parleur peut dépasser le simple rapport Uhp/Rhp. Sur l'exemple ci-dessous, des signaux complexes et transitoires peuvent conduire à un courant de 3,9A alors que la tension ne dépasse pas 17,6V et que la résistance bobine est de 6,8 Ohms (17,6/6,8=2,59). On veillera donc à ce que les composants de l'alimentation soient capables de transmettre ces courants transitoires sans compression.
Perturbations:
La tension secteur comme source d'énergie, les forts courants impulsionnels de recharge des condensateurs de filtrage et le rayonnement du transformateur créent des perturbations électromagnétiques, différents modes de couplage induisent des tensions et courants polluants sur les circuits électroniques.
- Perturbation HF du réseau: Insérer un filtre d'alimentation en π de type C,L,C symétrique. Quand le transfo a un écran inter-enroulements, le relier à la terre.
- Couplage champ électrique à fil: Utiliser des écrans électrostatiques (câble blindé, feuillard de cuivre sur composants critiques).
- Couplage par impédance commune: Câblage en étoile des potentiels de référence (notamment la masse). Donner une forte section aux liaisons critiques.
- Couplage champ magnétique à boucle: Eviter les boucles ou du moins réduire leur surface. Blinder la source avec un écran à forte perméabilité (mumétal).
En ressource, les tomes I et III de "Parasites et perturbations des électroniques" chez Dunod et les "Cahiers Techniques Schneider" téléchargeables n°141, n°149, n°152.
Ci dessous une simulation FFT des tensions amont et aval d'une alimentation 230V AC / 35V DC :
- Amont : distorsion harmonique liée à l'impédance non nulle du réseau.
- Aval : résidu d'ondulation et de commutation.
Eloigner le transformateur, le pont de diodes et une moitié du filtrage dans un boîtier séparé de l'amplificateur permet une réduction des bruits induits par rayonnement électromagnétique. Relier alors le boîtier de l'alimentation à la terre et le boîtier de l'amplificateur à la masse centrale par les embases cinch non isolées. Liaison inter-boîtier par trois fils souple 2.5mm², connexion directe aux condensateurs côté alimentation, solide connecteur côté amplificateur. Veiller à ce que les embases cinch soient proches pour ne pas créer de surface (d'induction) de boucle de masse une fois l'appareil source connecté :
Filtrage en π :
Scinder le filtrage capacitif en deux permet d'intégrer un filtrage selfique pour un taux d'ondulation plus faible et pour une meilleure réjection des bruits CEM. On peut remarquer que sans utiliser de bobine, séparer l'alimentation dont 50% du filtrage comme évoqué plus haut, conduit à un pseudo-filtrage en π, où la liaison fait office d'élément "résisto-selfique".
Chaîne d'énergie et consommation:

le fichier .xls, 7 données à renseigner : (bordeaux), 10 calculs réalisés = (vert).
Le courant efficace "I" (ou IRMS) dans le primaire du transformateur suit au rapport de transformation près, les pointes de recharge des condensateurs. Une lecture RMS à la simulation prenant en compte fondamental et harmoniques, multipliée par 230V (valeur efficace de "U", tension au secteur), vérifie le transformateur à installer.
Mais la puissance facturée est la puissance active "P", valeur moyenne de "u(t).i(t)", produit des grandeurs instantanées de "U" et "I". On parle en plus des puissances réactive "Q", apparente "S1" et déformante "D" suivant les relations suivantes où I1 est la composante fondamentale du courant "I" et Ø1 le déphasage entre u(t) et i1(t):
- P=U·I1.cosØ1 en W
- Q=U·I1.sinØ1 en VAR
- S1=U·I1 en VA
- D=√(S²-P²-Q²) en VAd