(extrait mis à jour du bulletin "Afders confidences" n°91)

La liaison "amplificateur / haut-parleur" en considération

Par simplification, des appareils de diverses technologies se côtoient sur la scène audiophile sous la même désignation : "amplificateur de puissance", plus précisément il s'agit de solides générateurs de tension ou de courant suivant la dimension de leur impédance interne. Ils sont commandés en tension, le signal délivré par la source.

La puissance électrique résultante dépend ensuite de "Zhp", caractéristique ohmique complexe de la charge qu'est le haut-parleur, où la force électromotrice "E", tension image de la vitesse de déplacement de la membrane est généralement remplacée par l’impédance motionnelle. La force mécanique initiale est elle fonction de l’intensité "I".

On peut alors s’interroger, doit on piloter les haut-parleurs en tension, en courant ou de façon hybride ? Zs l'impédance de sortie (ou interne) d'un amplificateur doit-elle être en accord avec les caractéristiques du transducteur piloté ? Dans quelle mesure la réponse électroacoustique en dépend t - elle ?

Impédance d'un haut-parleur:

C’est la somme entre l’impédance Zb de la bobine mobile (résistance et inductance) et l’impédance dite motionnelle ([E]/[I]=[Bl.v]/[F/Bl]), transcription électrique du modèle mécanique simplifié du haut-parleur électrodynamique. L’effet élastique des suspension et spider, la masse de l’équipage mobile et un coefficient de frottement constituent à eux trois un vibrateur caractérisé par sa fréquence de résonance et le coefficient de surtension associé. La charge acoustique modifie ce vibrateur et peut même ajouter une résonance dans le cas par exemple d’une enceinte "bass reflex". En multivoie à filtrage passif, l’amplificateur voit une impédance encore transformée.

A noter que le modèle électrique de l'impédance peut utiliser un gyrateur. Sous Spice, ce gyrateur peut être modélisé par deux sources de tension commandées en courant et de gain "Bl". Dans ce cas, Rms, Cms et Mms peuvent être saisis directement à leur valeur.

Impédance de sortie d’un amplificateur:

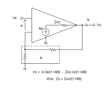
Elle dépend de la configuration et des composants employés à l’étage de sortie ainsi que de la nature de la contre-réaction. Une valeur nulle correspond à un générateur de tension parfait, une valeur infiniment grande correspond à un générateur de courant parfait. En réalité, entre ces deux extrêmes les modèles de Thévenin et de Norton autorisent la dualité.

Sur un montage avec contre réaction globale, l’impédance propre Zso de l’étage de puissance est divisée par le gain de boucle ouverte (quand il s’agit d’un asservissement en tension) avant de donner Zs. Le résultat suit les imperfections du gain A, apériodicité et non-linéarité, la correction diminuant au delà de la fréquence de coupure en boucle ouverte, Zso remontant pour les faibles signaux sur "push-pull" en classe AB trop faiblement polarisé.

Facteur d'amortissement:

Il est le rapport entre Zhp, souvent normalisée à une pure résistance de 8 Ohms et Zs sur un niveau de signal défini. Le montage d’évaluation présenté ( Nelson Pass, Audio Amateur n°4 1978) permet une étude fréquentielle sur charge réelle. En partant de Vo = (Zs.Vs)/(Zs+Zhp), (Vs/Vo - 1) donne le "damping factor" , pour une amplitude de sortie donnée.

Un facteur d’amortissement infini correspond à un Zs idéalement nul, en pratique on peut toutefois remarquer qu’un haut-parleur court-circuité n’a pas une membrane totalement figée au tapotement. Cela ne serait possible qu’avec un court-circuit directement aux bornes de la fem et donc avec Rb=0, vive les supraconducteurs !

En observant l’association série sans noeud divergent de Zs et Zb avant d’arriver à la fem E, on peut douter de l’intérêt de ce calcul dissociant Zs, sans parler de la non prise en compte de l’impédance du câble de liaison, où est la limite entre générateur et récepteur ?

En fait il est plus pertinent à propos de l’amortissement, de penser à l’allure de la réponse électroacoustique aux basses fréquences, caractérisée par le coefficient de surtension à la fréquence de coupure (où la mise en équations intègre Zs à Zb). L’optimisation pouvant se faire mécaniquement, par exemple suivant le volume donné à une charge close avec cependant rétrécissement de la bande passante, mais aussi électriquement. L’impédance de sortie de l’amplificateur en est alors le paramètre, du reste simplement modifiable grâce à la technologie électronique.

Les composants de sortie: Les Mosfets servent ici de "fil conducteur".

La transconductance "g" et la résistance interne "r" de ces composants au dernier étage vont définir l’impédance intrinsèque des amplificateurs avant contre réaction. Pour un Mosfet le courant de drain peut alors s’écrire : Id = gVgs + rVds.

Avec les 2SK1058 et 2SJ162 d’Hitachi g =1A/V et r = 150W. Pour comparaison, g = 10A/V et r = 150W pour le bipolaire Motorola MJ15003, g = 40mA/V et r = 100W pour la triode 6C33C souvent en OTL (quand un transformateur de sortie est présent, g est divisé par le rapport de transformation m alors que r en est multiplié par le carré).

Configurations d’étage de sortie:

En "drain commun", l’ étage est un suiveur de tension, gain unitaire à vide, en général précédé d’un driver amplificateur de tension et d’un différentiel. Zso est faible puisque proche de 1/g en "push-pull" classe AB et "single ended" classe A, ou de 1/(2g) en "push-pull" classe A.

En "source commune", l’ étage la plupart du temps en classe A est un amplificateur de tension, gain proche de 2gZhp en "push-pull" ou gZhp en "single ended", et peut se satisfaire d’un unique étage amont. Zso est élevée: r/2. Le montage "source commune" s’apparente à la "cathode commune" des amplificateurs à tubes, mais cette fois le gain est fonction du paramètre µ=gr.

Quelques calculs sur des schémas reconnus montrent une grande disparité de Zs (de quelques milli-ohms pour des amplificateurs à transistors contre-réactionnés à plus d’une dizaine d’ohms pour des OTL, en passant par quelques ohms pour des mono-triodes) sans pour autant vérifier une hiérarchie audiophile mais plutôt prédisposer les appareils à tel ou tel type d’enceintes.

Couplage électroacoustique:

Le modèle électrique expliquant l’impédance d’un haut-parleur oublie sous caution du faible rendement de "la machine", de distinguer la résistance de l’air mis en mouvement et ne permet donc pas de considérer réellement la puissance acoustique diffusée. En retenant ce modèle plus connu qu'une écriture acoustique façon "Thiele et Small", il est toutefois possible de sortir la pression dans l'axe relativisé à 0dB (/20µPa), à partir de la vitesse. La simulation PSpice adoptée est pour simplifier calculée à partir des caractéristiques d’un haut-parleur large bande monté sur baffle infini, le FE206E de Fostex.

L'attaque en tension à niveau normalisé (2,83V pour 1 Watt sous 8 Ohms) ne met à mal l'excursion maximum qu'en dessous de 35Hz avec ce haut-parleur à faible Qts. En courant, le travail sur la résonance amène plus vite à la limite, les tracés suivants sont ramenés à un niveau réaliste sur ce critère. On voit dans le secteur grave qu’entre sous-amortissement (commande en I, Zs=infini) et sur-amortissement (commande en U, Zs=0), une valeur intermédiaire critique (Zs=25) amène à un amortissement optimisé.

Dans le haut du spectre, l’effet bridant de la bobine s’efface lors d’une attaque en courant mais il faut se méfier du fonctionnement directif de la membrane à ces fréquences, hors de l’axe la pression diminue au gré des lobes de directivité.

Pour les DIYeurs séduits par cet exemple élémentaire, Zs=25 peut être obtenue avec un simple étage à Mosfet sans contre-réaction. La puissance limitée à 8W par la pure classe A suffit face au bon rendement du Fostex (1,73%)

Il est vrai qu’aujourd’hui, une impédance de sortie proche de zéro est conventionnelle (et approuvée par les électroniciens d’ordinaire adeptes du concept "load-invariant amplifier"), amplificateurs et enceintes sont conçus dans ce sens chez les constructeurs pour une large compatibilité entre éléments. De plus le filtrage passif en multivoies n’est alors pas perturbé par l’existence d’une impédance amont.

Toutefois quand une électronique distincte est affectée à chacun des haut-parleurs (fréquent sur système "DIY" large-bande ou multiamplifié), le meilleur des transducteurs peut être obtenu après optimisation de l’amortissement électroacoustique.

Bien sûr les autres critères de qualité des amplificateurs n’en perdent pas leur importance, la réflexion ici menée vise simplement et uniquement à démontrer le caractère fondamental du couplage amplificateur / haut-parleur si souvent sujet de confusion.



Une autre façon de faire de l'amplification en mode "courant" : http://sound.westhost.com

Jean-Marc Plantefève
http://perso.wanadoo.fr/jm.plantefeve